安科瑞防逆流主从机保护装置在某煤炭开发公司5.8MW分布式光伏项目的应用
摘要:随着分布式光伏装机容量的快速增长,电网逆流问题日益凸显。当光伏发电功率大于本地负荷功率时,多余的电力会流入电网,形成逆流。这不仅会导致电网系统电压升高,影响供电质量,还可能损坏用户侧和光伏发电侧设备,威胁电网系统的安全稳定运行。加之国家能源局发布的《分布式光伏发电开发建设管理办法》中,提出大型工商业分布式光伏原则上选择全部自发自用模式。根据这一政策,大型工商业分布式光伏项目中防逆流的需求应运而生。
关键词:分布式光伏;自发自用;主从机防逆流保护;GOOSE通讯
1 项目概况
丰城曲江煤炭开发公司分布式光伏项目,位于江西省宜春市,装机容量为5.8MW,采用自发自用、余电不上网模式。
丰城曲江煤炭开发公司分布式光伏项目为35/10kV项目,35kV侧采用两路电源单母线分段系统,一路进线引自国网线路仙曲线进线,一路进线引自用户自有电厂开关电曲线进线。本项目共设置1个10kV并网点,并网点下带3个光伏升压箱变,仙曲线进线距离并网点100-200m,电曲线进线距离并网点6公里。针对接入的光伏,该项目要求自发自用、余电不上网,逆流检测点设置在曲江变电所35kV仙曲线进线、电厂变电所仙电线进线。根据上述基本条件结合原施工图设计制定以下通过防逆流主从机实现光伏并网不上网。
2 项目需求
测量仙曲线进线和电曲线进线两路进线处功率,当市电下网功率过低时,逐级跳开3个光伏升压箱变低压侧开关;当市电下网功率逐渐恢复时,手动合上3个光伏升压箱变低压侧开关。
3 产品方案
本项目根据用户需求采用AM5SE-PV系列主从机防逆流保护,通过GOOSE通讯方案实现防逆流刚性跳闸,详细方案如下。

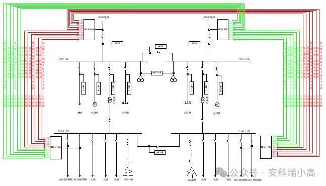
图1 丰城曲江煤炭项目产品配置图
如图1为本项目产品配置图,在电厂变电所仙电线进线配置1台防逆流主机1#AM5SE-PVM-GOOSE采集进线电流、电压,计算功率Ppcc1;在曲江变电所35kV仙曲线进线配置1台防逆流主机2#AM5SE-PVM-GOOSE采集进线电流、电压,计算功率Ppcc2;在升压箱变低压侧配置1台防逆流从机AM5SE-PVS-GOOSE用于分合低压侧开关。防逆流主机和防逆流从机之间通过光口交换机经由移动公司基站光纤网络组成一个局域网。
刚性防逆流保护策略如下:
1)电厂变电所电线进线:
Ø当Ppcc1
Ø当Ppcc1
Ø当Ppcc1
2)曲江变电所仙曲线进线:
Ø当Ppcc2
Ø当Ppcc2
Ø当Ppcc2
4 项目拓扑方案
1) 方案拓扑图
图2 项目方案拓扑图
2)防逆流保护
Ø产品图片

AM5SE-PVM-GOOSE AM5SE-PVS-GOOSE
6产品关联方案
除上述GOOSE通讯方案外,AM5SE-PV系列还支持光纤直跳方案,主要分为AM5SE-PVM主机、AM5SE-PVS从机、AM5SE-PVS2从机,主机和从机之间通过光纤连接,可选择多模或单模光纤,多模光纤适用于市电进线和并网点距离100m-1.5km,单模光纤适用于市电进线和并网点距离1.5km-20km。其中AM5SE-PVS从机适用于单市电进线,AM5SE-PVS2适用于多市电进线,以下针对单市电进线和双市电进线应用场景如下:
单市电进线光纤直跳防逆流

双市电进线光纤直跳防逆流
7 结语
本文介绍的防逆流主从机,可以在光伏高发时或者大负荷切除时,分阶段跳开光伏升压箱变,实现光伏并网不上网。同时GOOSE通讯方案和光纤直跳方案针对市电进线和并网点较远时,能够保障电流电压信号采集,防逆流功能准确动作,有助于后续大型工商业光伏项目自发自用、余电不上网模式的实施。
审核编辑 黄宇
- 随机文章
- 热门文章
- 热评文章
- 河套新景:沙漠生“金” 甜瓜溢蜜,河套新景:沙漠生“金” 甜瓜溢蜜
- 两周销量突破1120万杯,瑞幸系列新品与周边火出圈,两周销量突破1120万杯,瑞幸系列新品与周边火出圈
- 三位青年科学家分别宣讲“海子山精神”“黑土精神”“铸剑精神”,三位青年科学家分别宣讲“海子山精神”“黑土精神”“铸剑精神”
- 实探北京图博会香港馆 “文化荒漠”旧称已远,实探北京图博会香港馆 “文化荒漠”旧称已远
- 共享单车等成为涉诈引流“宿主” 江苏警方严打地推引流类违法犯罪行为,共享单车等成为涉诈引流“宿主” 江苏警方严打地推引流类违法犯罪行为
- 四川:退役军人及军属专场招聘活动在成都等7地同步启幕,四川:退役军人及军属专场招聘活动在成都等7地同步启幕
- 前5月浙江余姚对中亚五国出口增长72.5% 净水设备抢手,前5月浙江余姚对中亚五国出口增长72.5% 净水设备抢手
- 承德打造“宠客”城市 今年入境游同比增长48.45%,承德打造“宠客”城市 今年入境游同比增长48.45%
- 财政部:中国将持续支持其他发展中国家生态保护,财政部:中国将持续支持其他发展中国家生态保护
- 青海西宁加速布局高原体育康养产业,青海西宁加速布局高原体育康养产业
- 华西股份(000936):第九届董事会第九次会议决议
- 联影医疗(688271):联影医疗关于2024年年度股东会增加临时提案
- 新洋丰(000902):新洋丰农业科技股份有限公司公开发行可转换公司债券跟踪评级
- 1中国区域电力国企深度研究报告:绿色转型与 AI 算力新机遇
- 2负荷波动难预判?分布式能源难统筹?智慧能源系统直击新型配电网核心难题!
- 3电源测试系统:高压性能二合一,高效测试新选择
- 4“刻骨铭心——甲骨文化展”在广西桂林开幕,“刻骨铭心——甲骨文化展”在广西桂林开幕
- 5中国首创 “蒸笼” 法,蒸出高性能 “黄金半导体”
- 6AI产业链掘金潮蔓延:OCS概念股爆发 这些“头号玩家”已率先进场
- 7“名家讲经典——李洱:从《一千零一夜》说起” 活动举办,“名家讲经典——李洱:从《一千零一夜》说起” 活动举办
- 8安科瑞ANAPF有源电力滤波器:实时谐波动态治理与无功补偿,提升半导体厂房配电系统稳定性
- 9骨传导耳机,会戴出头晕恶心?这些人群不适合佩戴→
- 10(寻味中华|非遗)蒙古族搏克:摔跤之力在腰,决胜之智在心,(寻味中华|非遗)蒙古族搏克:摔跤之力在腰,决胜之智在心
- 11海默科技(300084):披露权益变动报告书的提示性公告
- 12隋唐长安城通义坊遗址发现多种陶瓷器 或为贵族生活用器,隋唐长安城通义坊遗址发现多种陶瓷器 或为贵族生活用器
- 13结题材料不合格,只因订书钉没用不锈钢?
- 12025年廊坊经洽会:小箱包“圈粉”大咖 县域特色产业快速出海,2025年廊坊经洽会:小箱包“圈粉”大咖 县域特色产业快速出海
- 2宇树科技完成C轮融资 注册资本增至3.64亿,宇树科技完成C轮融资 注册资本增至3.64亿
- 3第六届西部数博会文旅“黑科技”破壁虚实,第六届西部数博会文旅“黑科技”破壁虚实
- 4四川乐山:餐饮行业大咖齐聚共绘美食产业新蓝图,四川乐山:餐饮行业大咖齐聚共绘美食产业新蓝图
- 5黑龙江省水运口岸首次进口铜矿粉 “铁水联运”激活跨境物流新引擎,黑龙江省水运口岸首次进口铜矿粉 “铁水联运”激活跨境物流新引擎
- 6全球乳业大会开幕!伊利作为亚洲乳企代表受邀出席,斩获世界乳品创新奖,全球乳业大会开幕!伊利作为亚洲乳企代表受邀出席,斩获世界乳品创新奖
- 7河南粮食重点领域贷款余额超2595亿元,河南粮食重点领域贷款余额超2595亿元
- 8廊坊经洽会观察:跨境电商如何赋能产业出海?,廊坊经洽会观察:跨境电商如何赋能产业出海?
- 92025夏季达沃斯实现全绿色用能 减排二氧化碳约600吨,2025夏季达沃斯实现全绿色用能 减排二氧化碳约600吨
- 10上合组织国家留学生探访山东青岛体验“智造”魅力,上合组织国家留学生探访山东青岛体验“智造”魅力
- 11浙江加速城乡融合高质量发展步伐,浙江加速城乡融合高质量发展步伐
- 12合肥推动“车机人”协同计划 打造聚合型智能产业集群,合肥推动“车机人”协同计划 打造聚合型智能产业集群
- 13(活力中国调研行)百年高炉遇见未来 北京科幻产业加速跑,(活力中国调研行)百年高炉遇见未来 北京科幻产业加速跑






















